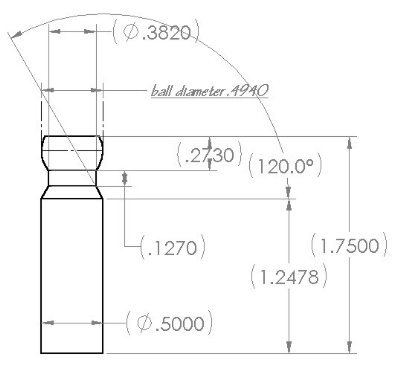
The 350 can be inserted in a 1/2" hole in any material:

BACK